
在電子元件的精密版圖中,YX - A006 以其精巧設計,成為微觀連接領域的關鍵“拼圖”。
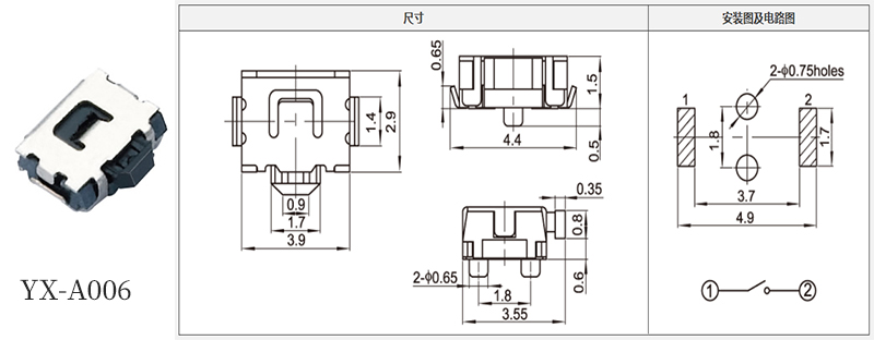
從尺寸維度看,它是工業精準度的生動體現。長、寬、高及各局部尺寸,經嚴格標定,3.9mm 長度適配緊湊空間,0.65mm 等細微尺寸,構建穩定物理結構,是功能實現的基礎支撐,彰顯工業制造對精度的極致追求,啟示我們:細微之差,可能決定整體成敗,精準是可靠的前提。
安裝與電路設計,藏著實用哲學。安裝孔的規格(如 2 - φ0.75holes )、間距(4.9mm 等 ),為適配電路板提供“標準接口”,是理論設計到實際應用的“橋梁”;電路連接示意,簡化復雜原理,傳遞“通斷”核心邏輯,讓開發者能快速理解集成方式。這恰似知識轉化:復雜理論,需經“簡化 - 適配”,方能落地發揮價值。
它雖小巧,卻在電子設備中承擔關鍵連接、控制角色,默默賦能設備運行。如同社會運轉中,無數平凡卻關鍵的“小環節”,匯聚成宏大功能。從 YX - A006 ,我們看見工業的精密、設計的智慧,更可深思:無論微觀元件,還是宏觀世界,精準、適配、協作,是實現價值的通途,每個“微小”,都在以獨特方式,書寫“不可或缺” 。
上一篇:
下一篇:YX-A005型號2*4輕觸開關