
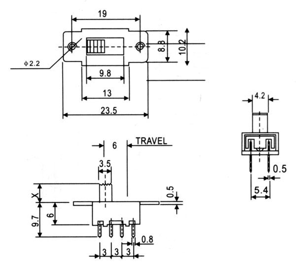
撥動開關電氣性能:
使用溫度范圍 Temperature -30~+70℃ 耐壓 Withstand Voltage AC250V(50Hz)/min
額定負荷 Rated Load DC12V 50mA 動作力 Actuating Force 100~350G
接觸電阻 Contact Resistance ≤0.03Ω 壽命 Life 100000次
絕緣電阻 Insulation Resistance ≥100MΩ
撥動開關用途:
產品廣泛用于收音機、玩具、電話、電視機、MP3、等電腦通訊器材、及家用電器等設備。
本頁推薦:手機薄膜開關,貼片輕觸開關,防水輕觸開關 - 輕觸開關電子
穎鑫電子科技有限公司是一家開發、設計、生產及銷售:
各種開關.插座:震動開關、振動開關、彈簧開關、滾珠開關、撥動開關、葉片開關、輕觸開關、按鍵開關、微動開關、
船型開關、耳機插座、DC插座、4.2端子電源連接器
·做貨交期:接訂單7-15天內
·生產能力:350萬顆
·環保標準:ROHS,H.R.4040,ASTMF963,EN71-3,Phthalates,REACH等.
·服務對象:玩具行業,消費電子禮品廠家,家用電器廠家、數碼通訊等電子制品
·服務范圍:香港,臺灣,中國大陸,全國各個地區
詳情請關注我們的網站:www.b0yof.cn
上一篇:
下一篇:撥動開關SS-23D03