
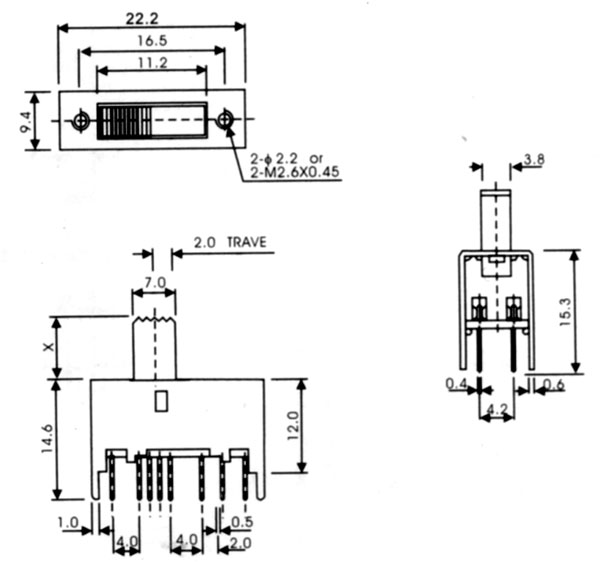
撥動開關廠家:穎鑫電子科技有限公司是一家開發、設計、生產銷售及各種開關.插座。
產品有:振動開關,彈簧開關,撥動開關,葉片開關,輕觸開關,按鍵開關,耳機插座,DC插座。
用途:
本開關適用于,玩具,電動玩具,玩具公仔,防盜器,家用電器,手機數碼,電子通訊,電子游戲機,汽車防盜,智能化系統。
優點:體積小,壽命長,環保安全,美觀
包裝:常規包裝1000粒/包,可按照客戶要求進行包裝!
網站:http//www.switchcn.net
公司從設計、制作、后加工、到送貨上門我們實行一站式服務;與您精誠合作,共創雙贏!
上一篇:撥動開關SS-42H14
下一篇:撥動開關SS-43D02